汽車制造
產品概述
product description
查看大圖
HSR-JR603工業機器人
JR六軸機器人系列3C市場的持續增長是各大機器人企業看中3C產業機器人應用的關鍵。據了解,未來三年,全球3C市場將保持15%左右增速,到2017年3C市場機器人將達到上萬億級別市場規模。全國各地的3C相關制造業數量眾多,市場容量極大。本款機器人針對3C市場開發。
使用說明下載產品特點
Features1:HSR-JR603采用高性能控制系統和伺服驅動系統,具有運動速度快,高重復定位精度以及高軌跡跟蹤精度。
2:該款產品性能達到國內外同級別中上水平,重復定位精度達到±0.02mm。并且在該性能基礎上還具有較高性價比
3:該產品整機性能突出,系統拓展簡便,實現附加視覺、力反饋等模塊化,滿足3C行業各類工況需求。
4:整機動態響應快等特點,同時兼顧體積小,質量輕,運輸、安裝方便等優點。
5:運行速度快,運行最大速度達到國內外同系列產品上級水平。
產品參數
Product parameters| 工業機器人 | HSR-JR603 | |
| 自由度 | 6 | |
| 額定負載 | 3Kg | |
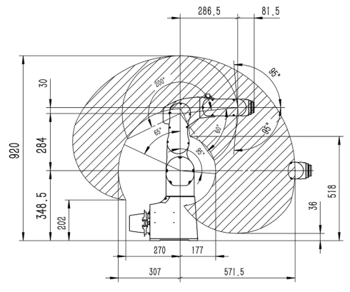
| 最大工作半徑 | 571.5mm | |
| 重復定位精度 | ±0.02mm | |
| 運動范圍 | J1 | ±180° |
| J2 | ?-155°/+5° | |
| J3 | -20° ? /+240° | |
| J4 | ±180° | |
| J5 | ±95° | |
| J6 | ±360° | |
| 額定速度 | J1 | 262.5°/s,4.58rad/s |
| J2 | 262.5°/s,4.58rad/s | |
| J3 | 262.5°/s,4.58rad/s | |
| J4 | 262.5°/s,4.58rad/s | |
| J5 | 262.5°/s,4.58rad/s | |
| J6 | 420°/s,7.33rad/s | |
| 最高速度 | J1 | 375°/s,6.54rad/s |
| J2 | 375°/s,6.54rad/s | |
| J3 | 375°/s,6.54rad/s | |
| J4 | 375°/s,6.54rad/s | |
| J5 | 375°/s,6.54rad/s | |
| J6 | 600°/s,10.46rad/s | |
| 容許慣性矩 | J6 | 0.04kg㎡ |
| J5 | 0.05kg㎡ | |
| J4 | 0.05kg㎡ | |
| 容許負荷扭矩 | J6 | 6.4Nm |
| J5 | 6.4Nm | |
| J4 | 12.7Nm | |
| 適用環境 | 溫度 | 0~45° |
| 濕度 | 20%~80% | |
| 其他 | 避免與易燃易爆或腐蝕性氣體、液體接觸,遠離電子噪聲源(等離子) | |
| 示教器線纜長度 | 8米 | |
| 本體-柜體連接線長度 | 3米 | |
| I/O參數 | 數字量:32輸入,31輸出(控制柜故障指示燈輸出占用1) | |
| 本體預留信號線 | 12位(航空插頭連接、預制線纜長度0.55m) | |
| 預留氣路 | 1*Φ6 | |
| 電源容量 | 0.8kVA | |
| 額定功率 | 0.6kW | |
| 額定電壓 | 單相AC220V? ? 50HZ | |
| 額定電流 | 3.2A | |
| 本體防護等級 | IP54 | |
| 安裝方式 | 地面安裝、倒掛安裝、側掛安裝、桌面安裝 | |
| 本體重量 | 27kg | |
| 控制柜防護等級 | IP53 | |
| 控制柜重量 | 20Kg | |
| 控制柜尺寸 | 640mm(寬)*370mm(厚)*600mm(高)-立式、臥式 | |
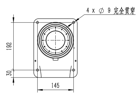
產品尺寸
Product Size


