汽車制造
產品概述
product description
查看大圖
HSR-SR6600工業機器人
scara機器人系列華數SR6600是一款專門針對桌面拾取安裝應用而開發的機器人。依托華中數控多年伺服控制的技術積累,使用自主研發的控制技術,巧妙地運用伺服電機的性能,在高轉矩工況下可帶6Kg負載,在高轉速的工況下電機轉速可高達5000轉,1、2軸串聯臂長達600MM。具有高速度、高性能、高精度、體積小、運動靈活和低價格的優勢。其串聯的第一軸和第二軸類似于人的手臂可快速在平面內進行定位和定向,可以伸進有限空間中作業后收回。華數SR6600可廣泛用于電子產品工業、藥品工業和食品工業等領域。
使用說明下載產品特點
Features優勢特點:
一、高性能
1:快
高速循環時間使零部件吞吐量得到提升
出色的加/減速度,匹配平穩的啟動/停止時間
高速循環時間低至0.4S,使零部件可快速、準確地運行
負載高達6Kg,額定負載為2Kg,即使負載增加,也可保持高速循環
2:準
精密的機械加工,多道加工工序,完善的裝配管控
使用國外先進的成套測量標定設備DYNALOG進行軌跡精度測試,嚴格精度把關
第1、2關節重復定位精度±0.02MM,第3關節重復定位精度±0.01MM,第4關節重復定位精度±0.01度
出廠前穩定性測試長達7*24小時以上,保證質量的穩定
二、易使用
豐富的用戶接頭,本體內部走線集成了伺服電機動力線和編碼線以及方便用戶使用的DB15接頭、三個φ6的氣管接頭,既保持整體外觀,也方便夾具接線應用
3軸絲桿中空設計,用戶氣管可直通底部,安裝吸盤即可實現拾取
輕松拖曳即可推動機器人進行示教,定位記錄更加準確方便
三、廣泛的行業應用
廣泛適用于:醫療藥品、實驗室自動化、消費類產品、工業產品、電信、制藥、包裝、半導體、電子等行業領域。
產品參數
Product parameters| 工業機器人 | HSR-SR6600 | |
| 自由度 | 4 | |
| 最大負載/額定負載 | 6kg/2Kg | |
| 最大工作半徑 | 600mm | |
| 重復定位精度 | ±0.02mm | |
| 運動范圍 | J1 | ±132° |
| J2 | ±150° | |
| J3 | 0/-200mm | |
| J4 | ±360° | |
| 額定速度 | J1 | 225°/s,3.92rad/s |
| J2 | 360°/s,6.28rad/s | |
| J3 | 666mm/s | |
| J4 | 1200°/s,20.93rad/s | |
| 最高速度 | J1 | 375°/s,6.54rad/s |
| J2 | 600°/s,10.46rad/s | |
| J3 | 1111mm/s | |
| J4 | 2000°/s,34.88rad/s | |
| 容許慣性矩 | J4 | 0.12kg㎡/0.01kg㎡ |
| 容許扭矩 | J4 | 4.23Nm |
| 適用環境 | 溫度 | 0~45° |
| 濕度 | 20%~80% | |
| 其他 | 避免與易燃易爆或腐蝕性氣體、液體接觸,遠離電子噪聲源(等離子) | |
| 示教器線纜長度 | 8米 | |
| 本體-柜體連接線長度 | 3米 | |
| I/O參數 | 數字量:32位輸入(NPN ? PNP均可)31位輸出(NPN) | |
| 本體預留信號線 | 12位(航空插頭連接) | |
| 預留氣路 | 3*Φ6 | |
| 電源容量 | 0.8kVA | |
| 額定功率 | 0.62kW | |
| 額定電壓 | 單相AC220V? ? 50HZ | |
| 額定電流 | 3.2A | |
| 防護等級 | IP54 | |
| 安裝方式 | 地面安裝、桌面安裝 | |
| 本體重量 | 21.5kg | |
| 控制柜防護等級 | IP20 | |
| 控制柜尺寸 | 319(寬)×280(厚)×145(高)-可立可臥 | |
| 控制柜重量 | 10.65KG | |
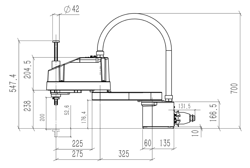
產品尺寸
Product Size


